製品検索

検索条件を変える

リストに戻る

製品詳細

967BPS-CU150 荷重について

  • クッション
  • 特殊ゴム車輪
  • 牽引可
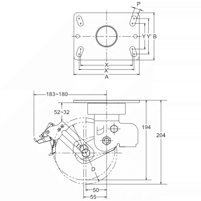
車輪 ウレタン車(熱硬化性・B入)
取付タイプ 平付旋回
ストッパー ストッパー付き
材質・表面処理 スチール(三価クロム化成処理)
車輪サイズ(D) 150 mm
取付高(H) 204 mm
取付座(A×B×C) 158×114 mm
取付寸法(X×Y×Z) 125×62(133×86) mm
取付穴径(P) 13 mm
偏心(E) 50 mm
旋回半径 183 mm
車輪品種 962BPS-CU
車幅 50 mm
補足情報

キャスター写真は 960 BPS-CU 200 のものを使用しています。

CAD データ

試験データ

クッションキャスター

併用できる関連製品

車輪をお探しの方は、PDFカタログをご覧ください

キャスター選びで迷ったら、ご相談ください

  • 担当者にメールで相談したい

    お問い合わせフォーム

    選択された条件も併せて担当者にお伝えしますので、スムーズにお話が進みます。

  • ハンマーキャスターが選ばれる理由ハンマーキャスターが選ばれる理由
  • 【YouTube】製品、サポート情報を動画で紹介【YouTube】製品、サポート情報を動画で紹介

荷重について

クッションキャスターの荷重表記は、
[安全に使用できる数値]の許容荷重ではなく
[振動に対する緩衝効果が最も得られる数値]の設定荷重となります。

設定荷重(1個):125daN


ご不明な点は、下記セールスブランチまでお問い合わせください。

セールスブランチ